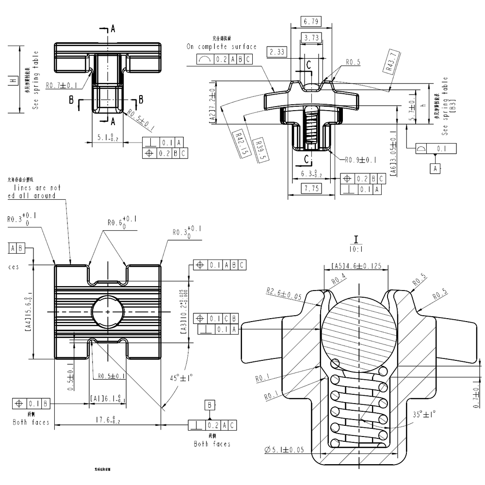
Jiaxing OnRoll Machinery Co., Ltd. is a private high-tech company specializing in the production of automobile synchro?nizer strut, transmission parts and brake system parts
The company's registered trademark is "OnRoll". The company covers an area of 4,000 square meters, and has passed IATF16949 quality system certification, with synchronizer strut automatic production equipment and automatic size, elastic testing equipment. The first to com?plete the localization of the synchronizer strut , break the high-precision synchronizer strut rely on import, and gradually replace imported part, fill the domestic gap, syn?chronizer strut products basically cover domestic brands.
As China Wholesale Plastic Slider In Passenger Car Gearbox/ Plastic Pin In Transmission/Auto Parts /PVC Part Manufacturers and OEM/ODM Plastic Slider In Passenger Car Gearbox/ Plastic Pin In Transmission/Auto Parts /PVC Part Exporter, We can provide customers with an ideal solution from design to mass production. With the update of technology and pro?cess, we can reduce cost and increase efficiency for customers and provide cost-effective products.
The company adheres to sustained innovation, planning high-precision synchronizer guinea production lines, adapting to the development trend of domestic AT, DCT gearbox, and new energy vehicle intelligent linear drive control system, and constantly creates value for customers.
English
Espa?ol























